苏州市非物质文化遗产--梅李木桶酱油酿造技艺
网购直通
ENGLISH
首 页
走进吉成
公司介绍
吉成资质
信息公示
酿造技艺
生产区域
木桶酿造工艺
产品专区
缘木记有机酱油
常规产品
出口产品
酿造科普馆
科普馆简介
科普馆内部场景
访客参观场景
联系我们
首页
> 走进吉成
>
信息公示
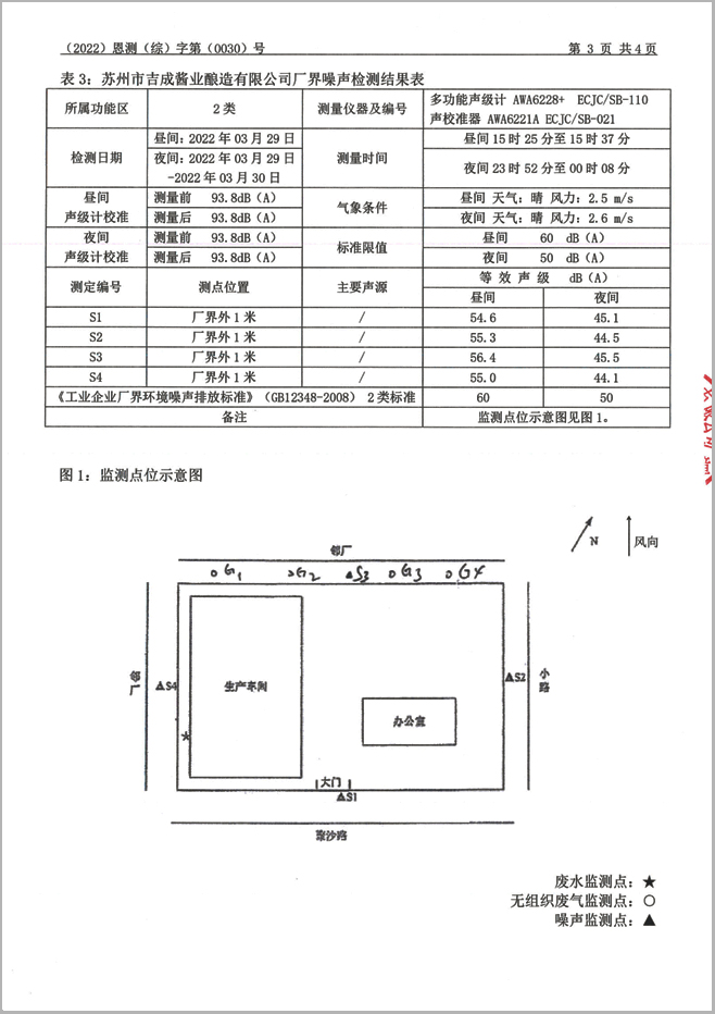
废水、废气、噪声检测结果
中国传统木桶酿造酱油
非物质文化遗产
微信公众号
©版权所有 苏州市吉成酱业酿造有限公司 苏ICP备05015839号-1
技术支持:众和网络
联系我们
苏州市吉成酱业酿造有限公司